- 手機:13964478601
- 電話:0533-7914696
- 傳真:0533-7914696
- 地址:博山開發區東域城工業園
- 郵編:255200
- 郵箱:zbvacuum@163.com
- 網址:http://www.ynjrgw.cn
產品名稱:SZ系列水環式真空泵
發布時間:2018-09-20 16:58:00 點擊:

SZ系列水環式真空泵及壓縮機是用來抽吸或壓縮空氣和其它無腐蝕性、不溶于水、不含有固體顆粒的氣體,以便在密閉容器中形成真空和壓力,吸入氣體中允許混有少量液體。它被廣泛應用于機械、石油化工、制藥、食品、制糖工業及電子領域。
由于在工作過程中,氣體的壓縮是等溫的,所以在壓縮和抽吸易燃、易爆氣體時,不易發生危險,所以其應用更加廣泛。工作真空范圍為-0.03~-0.08MPa。
SZ系列水環真空泵及壓縮機技術規格:
|
型 號 |
真空最大吸氣量 (m3/min) |
壓縮機最大排氣量 (m3/min) |
電機 功率 (Kw) |
泵轉速 (r.p.m) |
水耗量 (L/min) |
最大真空度 (%) |
最大壓力 (MPa) |
泵重 (整機) (Kg) |
|||||||||
|
當真空度為 |
當壓力為 (MPa) |
||||||||||||||||
| 真空泵 | 壓縮機 | ||||||||||||||||
| 0% | 40% | 60% | 80% | 90% | 0 | 0.05 | 0.08 | 0.1 | 0.15 | ||||||||
| SZ-1 | 1.5 | 0.64 | 0.4 | 0.12 | - | 1.5 | 1 | - | - | - | 4 | 5.5 | 1440 | 10 | 84 | 0.12 | 310 |
| SZ-2 | 3.4 | 1.65 | 0.95 | 0.25 | - | 3.4 | 2.6 | 2 | 1.5 | - | 7.5 | 11 | 1450 | 30 | 87 | 0.14 | 380 |
| SZ-3 | 11.5 | 6.8 | 3.6 | 1.5 | 0.5 | 11.5 | 9.2 | 8.5 | 7.5 | 3.5 | 22 | 37 | 970 | 70 | 92 | 0.17 | 1300 |
| SZ-4 | 27 | 17.6 | 11 | 3 | 1 | 27 | 26 | 20 | 16 | 9.5 | 70 | 80 | 730 | 100 | 93 | 0.21 | 1500 |
注:1、真空度從40%到90%或壓力從0.05MPa的吸排氣量隨著供水量的大小、葉輪與側蓋的間隙
大小而變化,特別是流量較小時,如果調整不準確更容易引起偏小。
2、表內數值是在下列條件下得出:
①水溫15℃
②空氣20℃
③氣體相對濕度70%
④大氣壓力0.1013MPa
3、表內性能偏差不超過5%
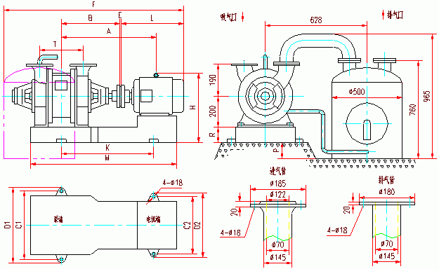
SZ-1、SZ-2真空泵外形及安裝尺寸
| 代號 | A | B | C1 | C2 | D1 | D2 | E | F | H | R | K | T | M | L | 地腳螺栓 |
|---|---|---|---|---|---|---|---|---|---|---|---|---|---|---|---|
| SZ-1 | 528 | 313 | 420 | 342 | 470 | 392 | 2 | 280 | 315 | 87 | 513 | 190 | 813 | 414 | M16×400 |
| SZ-2 | 646 | 378 | 454 | 370 | 514 | 430 | 2 | 346 | 315 | 80 | 640 | 320 | 1029 | 523 |
SZ-1、SZ-2壓縮機外形及安裝尺寸
| 代號 | A | B | C1 | C2 | D1 | D2 | E | F | H | P | R | K | T | M | L | 地腳螺栓 |
|---|---|---|---|---|---|---|---|---|---|---|---|---|---|---|---|---|
| SZ-1 | 557 | 313 | 420 | 362 | 470 | 412 | 2 | 1325 | 315 | 143 | 87 | 551 | 190 | 847 | 518 | M16×400 |
| SZ-2 | 705 | 378 | 454 | 410 | 514 | 470 | 2 | 1582 | 385 | 150 | 80 | 710 | 320 | 1119 | 610 |
SZ-3真空泵、壓縮機外形及安裝尺寸
| 代號 | A | B | C | D | H | I | J | K | L | M | N | P | Q | R | S |
|---|---|---|---|---|---|---|---|---|---|---|---|---|---|---|---|
| SZ-3真空泵 | 2202 | 4 | 768 | 655 | 1177 | 1737 | 1357 | 1100 | 330 | 142.5 | 912.5 | 295 | 380 | 420 | 1050 |
| SZ-3壓縮機 | 2357 | 4 | 768 | 655 | 1246 | 1836 | 1357 | 1100 | 330 | 142.5 | 912.5 | 295 | 380 | 420 | 1050 |
| 代號 | T | V2 | V1 | W1 | W2 | X | Y | d1 | d2 | d3 | d4 | d5 | d6 | 地腳螺栓 | |
| SZ-3真空泵 | 650 | 480 | 580 | 650 | 550 | 20 | 320 | 235 | 200 | 125 | 205 | 170 | 100 | M24×630 | |
| SZ-3壓縮機 | 650 | 540 | 580 | 650 | 610 | 20 | 320 | 235 | 200 | 125 | 205 | 170 | 100 | ||
SZ-4真空泵、壓縮機外形及安置尺寸
| 代號 | A | B | C | D | H | G | X | M | Y | W | T | N | L |
|---|---|---|---|---|---|---|---|---|---|---|---|---|---|
| SZ-4真空泵 | 927 | 787 | 1506 | 1015 | 750 | 485 | 4 | 192.5 | 650 | 1100 | 864.5 | 405 | 826 |
| SZ-4壓縮機 | 927 | 787 | 1506 | 1015 | 750 | 485 | 4 | 192.5 | 650 | 1100 | 864.5 | 405 | 826 |
| 代號 | R | Z | d1 | d2 | d3 | d4 | d5 | d6 | d7 | d8 | F | E | 地腳螺栓 |
| SZ-4真空泵 | 2733 | 950 | 175 | 225 | 290 | 150 | 225 | 260 | 18 | 18 | 70 | 575 | M24×630 |
| SZ-4壓縮機 | 2733 | 950 | 175 | 225 | 290 | 150 | 225 | 260 | 18 | 18 | 70 | 575 |
上一篇:SY/2SY系列水環壓縮機
下一篇:SK系列水環式真空泵




當前所在位置: